Vessel
GINT - GENCO INTREPID
Supply port
ZHOUSHAN - CHINA
Supply date
15 Jul 2025
Machinery name:
Master Clocks (Electric Crystal Cloc...
Maker :
POLARIS
Model :
NAV -11
  for more details
Click here
Request for Quotation
PR/RFQ no
SPR/GINT/E/25/099
Quote no.
*
Delivery time(days)
*
Machineries:
Machinery name:
Master Clocks (Electric Crystal Clock)-NAV11
Maker :
POLARIS
Model :
NAV -11
Serial no:
Year of Mfg.:
2015
Address:
Ship builder:
Dalian Shipbuilding Ind
Hull no:
B180K-46
PR Description
SHIP CLOCK SPARE
Enter your remark here..
Inco terms
CFS
CIF
EXW
FOB
NONE
Remarks
Machineries
Vendor name
Dan Marine Group Ltd
Quotation date
Pay terms
0-DAYS
15-DAYS
30-DAYS
45-DAYS
60-DAYS
90-DAYS
ADVANCE
BEF-DUE-DATE
Inco place
Priority
Within 1 week
Offer valid till
Total quotation amount is :
Do you want to submit the quotation?
Terms & Conditions
No quotation will be accepted unless submitted thru our E-Quotation Link.
All requisitions and enquiries floated must be quoted at the earliest.
Equivalent offers must be given with correct brands and specifications.
Shipping Terms (Incoterms) must be specified wherever applicable in the quotation.
All the items quoted must be asbestos free, as per Chapter II regulation 3.5 of SOLAS.
Appropriate sample class and makers test certificates to be provided for Mooring Ropes, Mooring Wires, Wire Slings, and other load bearing item's/equipment's.
MSDS for chemicals/ gases must be included.
Delivery charges, VAT, Labor Charges, and Transportation Etc. must be clearly specified in the quotation.
Price adjustment for currency fluctuations will not be accepted.
Payment will be as per the credit terms after delivery, submission and acceptance of invoice.
Synergy is not responsible for vendors errors and negligence.
Suppliers must provide Material Declaration (MD) & Supplier's Declaration of Conformity (SDoC) to confirm the presence of hazardous materials in accordance with MEPC 269 (68).
In case the supplier doesn't include the MD and SDoC in their offer, it will be taken for granted that the product is free of hazardous materials listed in Annex I and Annex II to the EU SRR. Supplier is legal responsible, if products containing above materials are delivered onboard without SDoC and MD.
Supply of products containing Table A items like Asbestos, PCB, ODS, Anti Fouling Compounds & PFOS is strictly prohibited as per HKC & EU SRR requirements.
MD & SDoC template should meet the MEPC 269 (68) guidelines, attachments should list the supplied products with their brand, type, make & model clearly.
I Agree the Terms and Conditions
OK
Cancel
Pay mode
Cash
Cheque
Direct Debit
Demand Draft
Non Cash
Others
Pay Order
Currency
Select
AFGHANISTAN AFGHANI
AFRICAN FINANCIAL COMMUNITY (BCEAO)
AFRICAN FINANCIAL COMMUNITY (BEAC) CFA FRANC BEAC
ALBANIA LEK
ALGERIA DINAR
ANGOLA KWANZA
ARGENTINA PESO
ARMENIA DRAM
ARUBA GUILDER
AUSTRALIAN DOLLAR
AZERBAIJAN NEW MANAT
BAHAMAS DOLLAR
BAHRAINI DINAR
BANGLADESH TAKA
BARBADOS DOLLAR
BELARUS RUBLE
BELIZE DOLLAR
BERMUDA DOLLAR
BHUTAN NGULTRUM
BOLIVIA BOLÍVIANO
BOSNIA AND HERZEGOVINA CONVERTIBLE MARKA
BOTSWANA PULA
BRAZIL REAL
BRUNEI DARUSSALAM DOLLAR
BULGARIA LEV
BURUNDI FRANC
CAMBODIA RIEL
CANADIAN DOLLAR
CAPE VERDE ESCUDO
CAYMAN ISLANDS DOLLAR
CHILE PESO
CHINESE YUAN
COLOMBIA PESO
COMOROS FRANC
CONGO/KINSHASA FRANC
COSTA RICA COLON
CROATIA KUNA
CUBA CONVERTIBLE PESO
CUBA PESO
CZECH REPUBLIC KORUNA
DANISH KRONE
DJIBOUTI FRANC
DOMINICAN REPUBLIC PESO
EAST CARIBBEAN DOLLAR
EGYPT POUND
EL SALVADOR COLON
ERITREA NAKFA
ETHIOPIA BIRR
EURO
FALKLAND ISLANDS (MALVINAS) POUND
FIJI DOLLAR
FRENCH PACIFIC COMPTOIRS (CFP) FRANC
GAMBIA DALASI
GEORGIA LARI
GHANA CEDI
GIBRALTAR POUND
GUATEMALA QUETZAL
GUERNSEY POUND
GUINEA FRANC
GUYANA DOLLAR
HAITI GOURDE
HONDURAS LEMPIRA
HONG KONG DOLLAR
HUNGARY FORINT
ICELAND KRONA
INDIAN RUPEE
INDONESIA RUPIAH
INTERNATIONAL MONETARY FUND (IMF) SPECIAL DRAWING RIGHTS
IRAN RIAL
IRAQ DINAR
ISLE OF MAN POUND
ISRAEL SHEKEL
JAMAICA DOLLAR
JAPANESE YEN
JERSEY POUND
JORDAN DINAR
KAZAKHSTAN TENGE
KENYA SHILLING
KUWAITI DINAR
KYRGYZSTAN SOM
LAOS KIP
LEBANON POUND
LESOTHO LOTI
LIBERIA DOLLAR
LIBYA DINAR
MACAU PATACA
MACEDONIA DENAR
MADAGASCAR ARIARY
MALAWI KWACHA
MALAYSIAN RINGGIT
MALDIVES (MALDIVE ISLANDS) RUFIYAA
MAURITANIA OUGUIYA
MAURITIUS RUPEE
MEXICO PESO
MOLDOVA LEU
MONGOLIA TUGHRIK
MOROCCO DIRHAM
MOZAMBIQUE METICAL
MYANMAR (BURMA) KYAT
NAMIBIA DOLLAR
NEPAL RUPEE
NETHERLANDS ANTILLES GUILDER
NEW TAIWAN DOLLAR
NEW ZEALAND DOLLAR
NICARAGUA CORDOBA
NIGERIA NAIRA
NORTH KOREAN WON
NORWEGIAN KRONE
OMANI RIAL
PAKISTAN RUPEE
PANAMANIAN BALBOA
PAPUA NEW GUINEA KINA
PARAGUAY GUARANI
PERU SOL
PHILIPPINE PESO
POLAND ZLOTY
POUND STERLING
QATARI RIYAL
ROMANIA NEW LEU
RUSSIA RUBLE
RWANDA FRANC
SAINT HELENA POUND
SAMOA TALA
SÃO TOMÉ AND PRÍNCIPE DOBRA
SAUDI RIYAL
SEBORGA LUIGINO
SERBIA DINAR
SEYCHELLES RUPEE
SIERRA LEONE LEONE
SINGAPORE DOLLAR
SOLOMON ISLANDS DOLLAR
SOMALIA SHILLING
SOUTH AFRICAN RAND
SOUTH KOREAN WON
SRI LANKA RUPEE
SUDAN POUND
SURINAME DOLLAR
SWAZILAND LILANGENI
SWEDISH KRONA
SWISS FRANC
SYRIA POUND
TAJIKISTAN SOMONI
TANZANIA SHILLING
THAI BAHT
TONGA PA'ANGA
TRINIDAD AND TOBAGO DOLLAR
TUNISIA DINAR
TURKEY LIRA
TURKMENISTAN MANAT
TUVALU DOLLAR
UGANDA SHILLING
UKRAINIAN HRYVNIA
UNITED ARAB EMIRATES DIRHAM
UNITED STATES DOLLAR
URUGUAY PESO
UZBEKISTAN SOM
VANUATU VATU
VENEZUELA BOLIVAR
VIET NAM DONG
YEMENI RIAL
ZAMBIA KWACHA
ZIMBABWE DOLLAR
*
Files :
clock slave .png
CLOCK ITEMS LIST.png
Screenshot 2025-04-23 113203.png
#
Item description
Item no
Comp./Part no
Drawing no
Qty
UOM
Offer qty
Cost
Dis(%)
Total value
Remark
Alt/Off
View
1
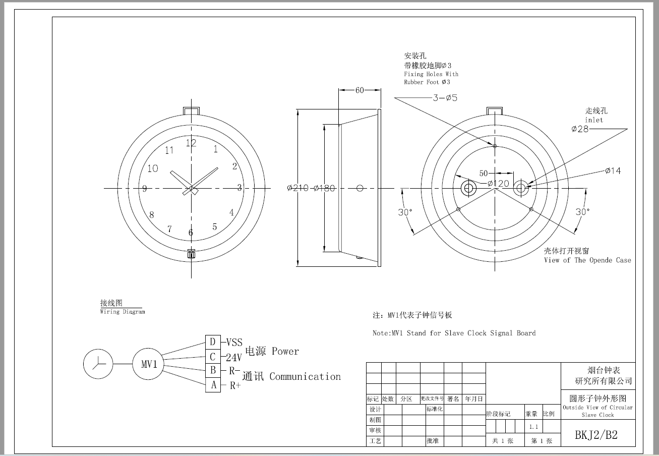
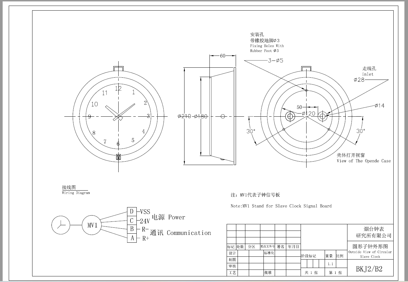
SLAVE CLOCK TYPE BKJ2/B2
6
PIECES
AMPULE
BAGS
BAL
BALES
BAR
BARREL
BCH
BKT
BOOK
BOTTLE
BOX
BUNDLE
C/L
C/S
C/T
CAN
CAPSULE
CARTON
CASE
CENTIMETER
CHART
COIL
CONTAINER
CUBIC FEET
CUBIC METERS
CUP
CYLINDER
DOZEN
DRUM
EACH
FEET
GALLON
GRAMS
HOURS
INCHES
JAR
JOB
KEG
KILOGRAM
KILOLITRE
KIT
LENGTHS
LINKS
LITRE
LOT
LOV
LUMPSUM
M3
MAN
MAN-DAYS
METRES
METRIC TON
NUMBER
OUNCE
PACK
PACKET
PAD
PAIL
PAIR
PALLET
PER HOUR
PER KILOMETER
PER MAN
PER MILE
PER MONTH
PER SHIP
PER SHIPMENT
PER TRIP
PER UNIT
PIECES
PKG
POINTS
POUNDS
PUBLICATION
REAM
REFILL
RINGS
ROLLS
SACHET
SETS
SHEETS
SPL
SQUARE FEET
SQUARE METRE
TABLET
TICKETS
TIM
TIN
TON
TUBE
VOL
Conversion Factor : LineNo :
1
1
=
OK
Cancel
0
#
Alt/Off
Item description
Item no
Comp./Part no
Drawing no
Qty
UOM
Offer qty
Cost
Dis(%)
Total value
Remark
2
SLAVE CLOCK TYPE BKJ2/B6
6
PIECES
AMPULE
BAGS
BAL
BALES
BAR
BARREL
BCH
BKT
BOOK
BOTTLE
BOX
BUNDLE
C/L
C/S
C/T
CAN
CAPSULE
CARTON
CASE
CENTIMETER
CHART
COIL
CONTAINER
CUBIC FEET
CUBIC METERS
CUP
CYLINDER
DOZEN
DRUM
EACH
FEET
GALLON
GRAMS
HOURS
INCHES
JAR
JOB
KEG
KILOGRAM
KILOLITRE
KIT
LENGTHS
LINKS
LITRE
LOT
LOV
LUMPSUM
M3
MAN
MAN-DAYS
METRES
METRIC TON
NUMBER
OUNCE
PACK
PACKET
PAD
PAIL
PAIR
PALLET
PER HOUR
PER KILOMETER
PER MAN
PER MILE
PER MONTH
PER SHIP
PER SHIPMENT
PER TRIP
PER UNIT
PIECES
PKG
POINTS
POUNDS
PUBLICATION
REAM
REFILL
RINGS
ROLLS
SACHET
SETS
SHEETS
SPL
SQUARE FEET
SQUARE METRE
TABLET
TICKETS
TIM
TIN
TON
TUBE
VOL
Conversion Factor : LineNo :
2
1
=
OK
Cancel
0
#
Alt/Off
Item description
Item no
Comp./Part no
Drawing no
Qty
UOM
Offer qty
Cost
Dis(%)
Total value
Remark
Type
Flat/Percentage
TCD description
Value
Amount
Add tax/charge
Tax
Charge
Select
Flat
Percentage
Document discount(%)
Add new line
Total:
0
Incase of any queries please contact
SATHISH RAJENDRAN |
E-INVOICE TO - invoices@gsshipmanagement.com |
sathish.rajendran@synergyship.com |
7397715670
Attach Document:
Browse
Remove file
The allowed formats are doc(x), xls(x), jpg, png, jpeg, pdf, zip, rar
Submit
Decline quote